金旋体育最火权威网

招商加盟
服务
留言
联系方式

当前栏目名

您当前的位置:金旋体育最火权威网 > 产品中心 > 减速机展厅

蜗轮蜗杆减速机JRSTB系列

蜗轮蜗杆减速机JRSTB系列
产品参数:
产品型号: JRSTB
额定功率:可匹配0.18KW~15KW
电压:null
转速/极数:null
减速比:1/7.5-1/100
安装方式:null

详细参数

  蜗轮蜗杆减速机JRSTB系列带入力轴,双入力轴。(如需要单入力轴减速机在购买时请联系公司客服。)为典型的箱体结构,也叫蜗轮蜗杆减速器或蜗轮蜗杆减速箱。

  具有蜗轮蜗杆减速机JRSTB系列所介绍的全部性能、特点之外,多置式蜗杆减速机还具有以下独特优点:
1
、箱体由优质铝合金压铸而成,外形新颖、轻巧、光洁、美观。
2
、设计结构紧凑、体积小,重量轻,占用安装空间小。
3
、箱体外形设计及底脚孔设置布局适应多种安装方式,具有动力输入及转矩输出的多钟联接结构,满足各种连接需要。通用性很强。
4
、箱体四壁布满众多薄片,散热性能好。
5
、箱体为全封闭结构,密封性强。箱体内润滑油不易损耗变质,不需更换,便于维护保养,

  蜗轮蜗杆减速机JRSTB系列使用注意事项:

1 使用前应注意检查减速机型式结构、中心距规格、传动比、输入轴联接方式、输出轴结构、输入轴输出轴轴指向和回转方向等是否符合使用要求,蜗杆输入转速最高不宜超过2000r/min。一般使用范围为600-1800r/min.

   2 开机时应逐步施加载荷,不能满载起动。

   3 型号25-90减速机仅设加油孔.出厂时减速机内已加好ISO VG320合成润滑油。用户无需加油.机器连续运转约10000小时后,应该更换新润滑油。

   4 型号110-150减速机设有加油孔、放油孔和油标,减速机内已加ISO VG460矿物润滑油,用户在使用前须拉掉通气器上的栩胶环。首次运行500小时后更换新油.以后每隔约5000小时换油一次。

   5 减速机允许最高油温为95,超过时应停机检查。

   6 若减速机使用环境温度超过或低于表中规定使用环境温度5以上.请与我公司人员联系。

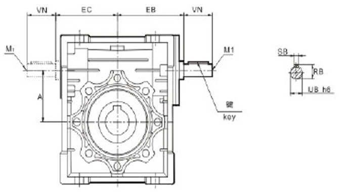
  蜗轮蜗杆减速机JRSTB系列详细参数及图纸:

蜗轮蜗杆减速机JRSTB系列详细参数及图纸蜗轮蜗杆减速机JRSTB系列详细参数及图纸