金旋体育最火权威网

招商加盟
服务
留言
联系方式

当前栏目名

您当前的位置:金旋体育最火权威网 > 产品中心 > 减速机展厅

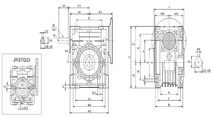
蜗杆减速机JRSTD系列

蜗杆减速机JRSTD系列
产品参数:
产品型号: JRSTD
额定功率:可匹配0.18KW~15KW
电压:null
转速/极数:null
减速比:1/7.5-1/100
安装方式:null

详细参数

蜗杆减速机JRSTD系列为单极蜗杆减速机,也叫蜗杆减速器或蜗杆减速箱。带有法兰盘。无减速机输出轴及输入轴,所以叫中空减速机。此减速机配件全部采用国家标准。性能足以与sew减速机相比美。

蜗杆减速机JRSTD系列使用说明:

一:单级蜗杆减速机

  1 减速机型号2590采用优质铝合金压铸箱体.外形轻巧美观.结构紧凑,体积小。重量轻,节省 安装空间。不易锈蚀。

  2 减速机型号110一,50采用灰铸铁铝模铸造,外形美观坚固.可多方位安装使用。

  3 散热性能好,安全可靠.效率高。

  4 承载能力高,传动平稳振动小噪剖低。

  5 具有动力输入及转矩输出的多种联接结构,满足多种联接需要;箱体外形设计及底脚孔设置布局适应多种安装方式,通用性强。

二:安装注意事项

  1 减速机须安装在平整坚固的底座上,底脚螺栓必须紧固、防震。

  2 原动机--减速机--工作机的各联接轴伸.安装后必须互相准确对准轴线。

  3 减速机输入端及输出端轴伸外径尺寸公差按h6制作,与之相匹配的联轴器、皮带轮、链轮等传动件内孔需按合适的公差尺寸配置,避免装配过紧损坏轴承,装配过松影响正常的动力传递。

  4 链轮、齿轮等传动件装上轴伸时,应尽量靠近轴承,以减少轴伸弯曲应力。

  5 减速机装配电机时,应在蜗杆头部内孔孔壁及链槽处涂抹黄油,避免装西乙丈紧,防止轴孔日久生锈。

  6 使用各类电机直联型减速机时.若电机重量偏大.应设支撑装置。

三:使用注意事项

  1 使用前应注意检查减速机型式结构、中心距规格、传动比、输入轴联接方式、输出轴结构、输入轴输出轴轴指向和回转方向等是否符合使用要求,蜗杆输入转速最高不宜超过2000r/min。一般使用范围为600-1800r/min.

  2 开机时应逐步施加载荷,不能满载起动。

  3 型号25-90减速机仅设加油孔.出厂时减速机内已加好ISO VG320合成润滑油。用户无需加油.机器连续运转约10000小时后,应该更换新润滑油。

  4 型号110-150减速机设有加油孔、放油孔和油标,减速机内已加ISO VG460矿物润滑油,用户在使用前须拉掉通气器上的栩胶环。首次运行500小时后更换新油.以后每隔约5000小时换油一次。

  5 减速机允许最高油温为95,超过时应停机检查。

  6 若减速机使用环境温度超过或低于表中规定使用环境温度5以上.请与我公司人员联系。

产品规格25150;传动比单级7.5100,双级3005000;输入功率0.0615KW;输出转矩71788Nm。共10大规格22000余种型式、传动比、联接、安装方式可供选用。产品规格25 30 40 50 63 75 90 110 130 150 比单 7.5 10 15 20 25 30 40 50 60 80 100 300 400 500 600 750 900 1200 1500301 1800 2400 3000 3200 4000 4800 5000

蜗杆减速机JRSTD系列详细参数:

蜗杆减速机JRSTD系列详细参数蜗杆减速机JRSTD系列详细参数

上一个产品:蜗轮减速机:CHM型

下一个产品:蜗杆减速机JRST系列