金旋体育最火权威网

招商加盟
服务
留言
联系方式

当前栏目名

您当前的位置:金旋体育最火权威网 > 产品中心 > 减速机展厅

蜗轮减速机ASF系列

蜗轮减速机ASF系列
产品参数:
产品型号: ASF
额定功率:null
电压:220V/380V
转速/极数:null
减速比:1/100-1/3600
安装方式:ABC

详细参数

  蜗轮减速机ASF系列也可以叫蜗轮减速器ASF系列或蜗轮减速马达ASF系列。此系列蜗轮减速机为双段减速机,带有入力轴及出力轴,可选择出力轴方向,也可以选择双出力轴蜗轮减速机。另一款蜗轮减速机为单段,同样是带有入力轴,及出力轴,型号为:蜗轮减速机USS系列。

   蜗轮减速机ASF系列特点

1.       具有公制IEC及美制NEMA两种马达法兰规格。

2.       减速比范围5136001

3.       使用马力范围小至14HP。大至100HP

4.       使用高品质双唇油封。

5.       蜗杆采用S45C中碳钢经硬化热处理后,牙面齿形研磨。

6.       300型(含)以上,蜗杆采用

7.蜗轮材质采用高品质之ALBC3 铝青铜具最佳耐磨性。

8.机体外壳采高强度之FC—20灰口铸铁。

9300型(含)以上机体外壳采更高强度之FCD45球状石墨铸铁。

10 入力轴承使用圆锥滚子轴承。

11.万向型具活动式底座。

12.工业用负载型使用寿命长。

13.一年使用保固。

  蜗轮减速机ASF系列重要说明:

为降低蜗杆牙口和蜗轮齿部齿合时之集中磨耗,本公司产品中下列型号(SIZE)之实际速比,采用(追逐齿轮)(HuntingTooth)速比设计为非整数比,敬请用户注意。

1.       型号(SIZE50607080100120135155175225型之速比101,其实际速比为10.33331RATIO 101Actual ratio is 10.3333:1

2.       型号(SIZE50607080100120135155,及175型之速比201,其实速比为20.51RATIO 20:1,Actual ratio is 20.5:1

3.       型号(SIZE40506070型之速比51,其实际速比为5.251RATIO 51Actual ratio is 5.25:1

维护:

一:蜗轮减速机ASF系列安装

1:减速机入力轴直接与马达连接时,应采弹性连轴器,出力轴直接与工作机连接时,宜采用齿轮连轴器。

2:减速机应安装在稳固的基础座,且须注意空气流通及换油时,注油及洩油之方便性。

3:减速机入力轴及马达出力轴之中心必须对准确,误差不得大于所用连轴器之允许值。

4:减速机安装后,用手转动需灵活,不可有卡死现象。

5:减速机安装好,使用前应先进行空负荷运转,确定机器各部分都无异状后,方可正式使用,如有故障应先排除。

二:蜗轮减速机ASF系列润滑。

1.    新减速机使用时,在运转300小时后,需要换新油,其后每使用2500小时需换油;但在使用过程中仍应定期检查油的质量,若油有杂质,老化,变质情况,必须随时更换。

2.    减速机应使用固定品牌,号码之齿轮油,不应将不同品牌,号码或不同类型的油相混合使用。

3.    在换油过程中,应先将减速机内部清除干净,再注入新油。

4.    4.在使用期间,当发现油温过高(超过80C以上)时,以及有不正常的噪音等现象,应立即停止使用,对其原因进行检查。等排除故障或更换润滑油后,才可以继续使用。

5.    推荐用油:ISO HD—460极压机油或中油HD—320之极压机油,或中油90#多效齿轮油。

三:蜗轮减速机ASF系列维护

1.    减速机应定期检修,发现异状或有显著磨损,必须立即采取有效措施制止,使用零件之材质,精度亦须按照标准制造。更新零件手,应先进行空负荷运转,确定正常后再正式使用。

2.    使用单位应建立合理的维护制度,封减速机的使用状况及检修中发现的问题做仔细记录。

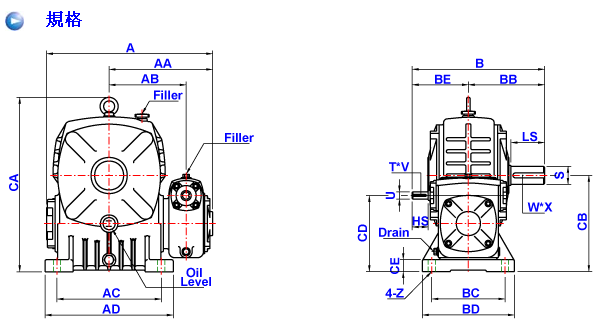
蜗轮减速机ASF系列详细参数:

蜗轮减速机ASF系列详细参数

蜗轮减速机ASF系列详细参数

蜗轮减速机ASF系列详细参数

蜗轮减速机ASF系列详细参数

上一个产品:蜗轮减速机ASM系列

下一个产品:蜗轮减速机ASX系列